没工银电子密码器,怎么获取动态密码
1. 首先准备好工银电子密码器。
2. 当具有密码器之后,还不能正常使用,需要输入激活码进行激活。
3. 之后开机要设置开机密码,成功设置之后才可以使用。
4. 以充话费为例,在办理网上充话费的时候,先打开中国工商银行官网或者中国移动官网,这两种方式都可以采用。
5. 当输入手机号,需要连接网银的时候,先插上电子密码器,输入电子密码器密码,在页面上即可显示动态密码。
不能获取动态密码。
只能去工行带上你的身份证,重新补办一个。1、工银电子密码器是由工商银行面向电子银行客户推出了新一代的安全认证工具。可为使用该行网上银行、电话银行、手机银行等电子银行渠道的客户提供了更加安全、可靠的身份认证方式。它是工行继U盾、口令卡之后首家推出的新型安全工具,具有内置电源和密码生成芯片、外带显示屏和数字键盘的硬件介质,您无需安装任何程序即可在电子银行等多渠道使用。
2、它是工行继U盾、口令卡之后首家推出的新型安全工具,具有内置电源和密码生成芯片、外带显示屏和数字键盘的硬件介质,您无需安装任何程序即可在电子银行等多渠道使用。
cf一键领取可信吗
不可信。
因为cf官方从未提供一键领取功能,任何声称可以实现一键领取的软件或网站都是非官方的,存在安全隐患,可能会导致账号丢失或被封禁。
此外,在游戏中获得奖励需要通过完成任务或达成特定条件获得,没有简单的一键领取功能可用。
因此,不建议使用任何非官方一键领取 cf 奖励的方式,以免引发不必要的麻烦。
不可信
建议玩家不要使用CF一键领取功能,可以手动完成每日任务获取奖励。
另外,要保护好自己的账号密码,不要轻易透露给其他人,避免被不法分子盗取账号并进行恶意操作。
cf一键领取的是官方推出的功能,完全可信
cf助手一键领取神器辅助工具的使用,在使用过程中,会获得安全绿色的使用支持,不会带有任何病毒,不需要担心账号被盗或者是丢失等风险。
不可信。
因为CF官方对于游戏内物品的获取有明确的规定,需要玩家通过游戏内的操作完成相应的任务或兑换,而一键领取的方式则存在未知的安全风险,可能会导致账号被封或物品被冻结。
此外,一键领取的来源也难以确认,很可能是通过非法手段获取的物品,不仅违反了游戏规定,也存在道德上的问题。
建议玩家不要轻信一键领取等非官方途径,保持游戏的公平性和健康发展。
同时,如果遇到账号被封或物品被冻结等问题,要及时联系客服处理,以免进一步损失。
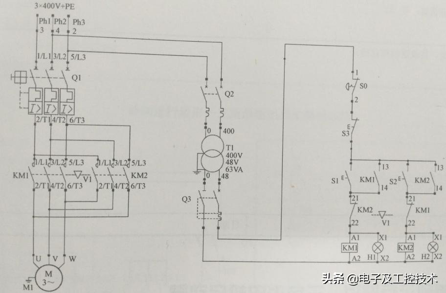
在接触器上怎么获取运行信号
在接触器上怎么获取运行信号?
●现在的交流接触器一般都是常闭触点和常开触点。利用接触器的辅助触头(常开)来进行自锁。即便是辅助触头不够用也可以另外购买置辅助触头触头进行添加在交流接触器上,见下图所示。
●交流接触器及单体辅助触头上的表示符号为NC表示常闭触头;NO表示常开触头,上下一一对应。常开:它的符号是NO,对应的英文字母“open”的首个字母O。在不通电时处于常开状态的触点,我们叫它常开触点。=常闭:它的符号是NC,对应的英文字母“ close”的首个字母C。在不通电时处于闭合导通状态的触点,我们叫它常闭触点。不管是常开还是常闭,都是指它的原始状态。一旦通电工作,那么它的状态其实就反过来了,常开点就会闭合,常闭点就会断开。见下图所示。
●运行信号可以是交流电源或者是直流电源都可以。这里本人以交流电源分别控制运行指示灯、停止指示灯来说。见下图所示。
●●指示灯的作用是表示电气设备运行状态,并且提示操作人员电路中的交流接触器是否处于正常的通/断状态,上图1-1就是利用交流接触器的辅助触点,来与指示灯连接,显示交流接触器的工作状态。接触器的常闭触点和常开触点各自接一只指示灯。
①工作原理分析
首先合上主回路的断路器QF,为控制回路的工作提供工作电源条件。起动时按下起动按钮SB2(5~7),此时KM交流接触器线圈得电吸合,接触器三个主触头闭合,主回路的电源通过交流接触器上端输入至下端输出,再经过热继电器,流入三相交流异步电动机,电动机得电开始旋转。
这里SB2在起动的一瞬间按一下即马上放开,由按钮中的弹簧自动复位至常开状态,而起动按钮是一对常开触点,接下来的接触器的自锁是由它的辅助常开触头来完成“自锁”任务。接触器的辅助触头常开在线圈得电时,它变成了常闭状态,而得电后的常闭触点变成常开状态。由此可以清楚的知道;当接触器吸合时,KM的辅助常闭触点(1~9),由于变成常开了,使得HR指示灯不能够与控制回路的220V电源形成回路,所以它此时为不亮状态。相反,由于KM吸合使KM的常开触点(1~11)变为了常闭,使HG指示灯与控制回路中的电源形成一个闭合回路,于是HG通电状态而显示亮。这里不要担心工作指示灯的耗电量(因为现在的指示灯都是微功耗的)。
停止时,只需要按下停止按钮SB1,整个控制回路断电,接触器释放恢复初始化状态。下图为一个双互锁正反转控制带工作指示灯的电路图,供阅读者们参考一下。
以上为个人观点,仅供初学者参考。
我们知道交流接触器的触点比较多,交流接触器触点类型主要分为六类,它们分别是主触头、辅助触头、常开触头、常闭触头、动触头和静触头这六种。我在平时进行实体电路连接来监控电动机的启动、停止、正转和反转以及在星三角降压启动过程中星形启动和三角形运行的信号等情况,大部分用的是接触器辅助常开触头。因此需要获得信号只需要将信号指示灯(电压类型要和交流接触器的触电一致)并联在常开触点上就可以了。
接触器在工业及民用中应用非常广泛,可以说它是电力拖动中的灵魂一点都不为过。大部分新手朋友只知道怎么接正转、正反转等,但是并不知道为什么要这么接,别提接触器的灵活使用。

下面我就以题目“如何在接触器上怎么获取运行信号?”为例,来谈谈我对接触器的理解及使用,希望能给大伙开拓一下思维。
在实际工作中经常会遇到这样的情况:
现在题目具体条件清楚了,我们就一起来看看怎么设计这个电路图。
首先画一个正转电路,也有人叫“起保停”电路。这里啰嗦一句,起保停电路是电力拖动最基础的电路,必须要深刻理解并能随手画出。

要想让水泵启动时,启动(绿色)指示灯亮,那我们需要思考一下是什么影响水泵运转?当然是水泵通电后水泵会运转。那水泵两端是否有电取决于什么?当然是接触器主触头是否接通。主触头是否接通又取决于什么?是接触器线圈是否吸合。
所以,我们可以把指示灯和接触器的线圈并联;当接触器线圈有电时,指示灯同样有电。当然前提是指示灯的额定电压和接触器线圈额定电压一致。那电路图就变成下面这样了

1⃣️你的提问的是通过指示灯或者电流电压显示接触器正处在工作状态的接线法、
2⃣️接触器上除了有主触点还有副触点用于开或关,以及互锁功能,你想引出指示灯,要看你的指示灯耐压值,可以直接接在接触器的线圈两端,当开关接通电源,线圈与指示灯并联即可获得它的运行信号。
3⃣️如果你的指示灯不属于交流电源,可以利用副触点的常闭开关点接入另外的电源获取接触器的工作信号。
4⃣️如果你用电压表获取接触器运行信号,就直接将表头输出线并联在接触器线圈两端,只要接触器一动作,表头便指示电压而获取到运行信号。
5⃣️如果你有电流表,可以串联在接触器的线圈上,看到指针动作就可以知道运行信号。
以上这些方法极其简单明了,要根据选材决定什么接法,主要是指示灯耐压值要适配。按图三原理接线。
谢谢!
朋友们好,我是电子及工控技术,我来回答这个问题。要想在交流接触器上获取运行信号就要知道交流接触器的结构,然后通过交流接触器结构特点来获取运行控制信号。下面我来谈谈我在进行实体电路连接时是如何用交流接触器获取电路运行信号的。
从交流接触器上获取控制信号的方法
我们知道交流接触器的触点比较多,交流接触器触点类型一般有六类,它们分别是主触头、辅助触头、常开触头、常闭触头、动触头和静触头这六种。我在平时进行实体电路连接来监控电机启动、停止、正转和反转以及在星三角降压启动过程中星形启动和三角形运行的信号等情况,大部分用的是接触器辅助常开触头。下面我举一个一般比较常用的正反转电路图。我们从图中可以看到HL1和HL2两个指示灯,它分别由控制正转的接触器KM1的常开辅助触头控制,当交流接触器KM1吸合时,KM1的辅助常开触点就会闭合,HL1灯亮,表示电机正转运行;当反转时,KM2的辅助常开触点就会闭合,HL2灯亮,表示电机反转运行。因此我们可以用接触器的辅助常开触点获取电路的运行信号。

在接触器线圈上并联一个指示灯也可获取运行信号
在有的电路中我们还可以用交流接触器的线圈这一负载来获取电路的运行信号。比如还是正反转电路,我们可以在两个接触器KM1和KM2线圈的两端各并联一个指示灯,当指示灯H1亮时,代表控制正转的接触器吸合,电机会正转;当指示灯H2亮时,代表控制反转的接触器吸合,电机会反转。

在有的电路中我们还可以用接触器的常开触点或者常闭触点发出通断信号送给可编程控制器(PLC),由可编程控制器来判断电路的运行情况,甚至在一些控制电路中我们还可以通过接触器的辅助触点与可编程控制器以及触摸屏(HMI)进行组合,由接触器的辅助触点动作情况通过触摸屏的监控画面反应出来。

由此可见用接触器上的各种辅助触点以及接触器线圈都可以获取电路的运行信号,如果我们借助一些工控设备,比如可编程控制器(PLC),触摸屏(HMI)以及变频器就能获得更丰富、更形象的电路运行状态。以上就是我对这个问题的回答,欢迎朋友们参与讨论,敬请关注电子及工控技术,感谢点赞。











